2022. 8. 9. 07:27
5. 순시동작 한시복귀(순한시) 타이머를 이용한 자기유지회로 전기기능사2022. 8. 9. 07:27
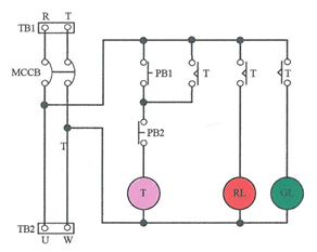
5. 순시동작 한시복귀(순한시) 타이머를 이용한 자기유지회로

[동작순서]
① R상과 T상에 전원을 투입하면 전류가 흘러 GL(녹색)램프가 점등된다.
② 푸시버튼 스위치 PB1을 누르면 타이머 T가 여자되어 T-a의 접점은 페로되며 푸시버튼 스위치에 손을 떼도 T-a 접점으로 계속전류가 흘러 자기유지된다.
③ 타이머 설정시간을 2초로 설정해 놓으면 T-a 접점이 바로 닫히면서 RL(적색) 램프가 점등된다.
④ 푸시버튼 스위치 PB2를 누르면 타이머 T가 무여자되어 있어도 타이머 설정시간을 2초로 설정하였기 때문에 2초후에 T-a 접점이 열리면서 T-b의 접점이 닫히게 되어 RL(적색)램프는 소등되고 GL(녹색)램프는 점등된다.
'전기기능사' 카테고리의 다른 글
| 7. 인터록 회로 (0) | 2022.08.09 |
|---|---|
| 6. 플리커 릴레이 회로 (0) | 2022.08.09 |
| 4. 한시동작 순시복귀(한순시) 타이머를 이용한 자기유지회로 (0) | 2022.08.09 |
| 3. 자기유지 회로 (0) | 2022.08.09 |
| 2. 릴레이 기본 제어회로 (0) | 2022.08.09 |
