달력

11

« 2025/11 »

  • 1
  • 2
  • 3
  • 4
  • 5
  • 6
  • 7
  • 8
  • 9
  • 10
  • 11
  • 12
  • 13
  • 14
  • 15
  • 16
  • 17
  • 18
  • 19
  • 20
  • 21
  • 22
  • 23
  • 24
  • 25
  • 26
  • 27
  • 28
  • 29
  • 30
2020. 8. 17. 15:54

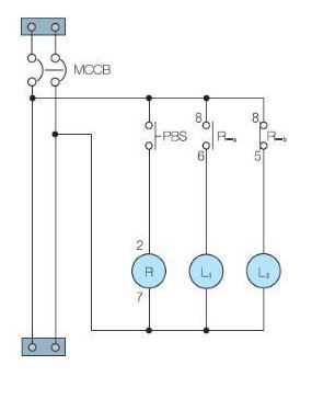
결선도 그리기 연습 4 전기기능사2020. 8. 17. 15:54

04-.jpg
0.03MB

'전기기능사' 카테고리의 다른 글

결선도 그리기 연습 6  (0) 2020.08.17
결선도 그리기 연습 5  (0) 2020.08.17
결선도 그리기 연습 3  (0) 2020.08.17
결선도 그리기연습 2  (0) 2020.08.17
후입력 우선회로  (0) 2020.08.15
:
Posted by gonlab