달력

11

« 2025/11 »

  • 1
  • 2
  • 3
  • 4
  • 5
  • 6
  • 7
  • 8
  • 9
  • 10
  • 11
  • 12
  • 13
  • 14
  • 15
  • 16
  • 17
  • 18
  • 19
  • 20
  • 21
  • 22
  • 23
  • 24
  • 25
  • 26
  • 27
  • 28
  • 29
  • 30
2020. 8. 17. 15:58

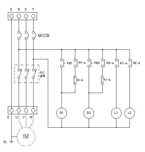
결선도 그리기 연습 9 전기기능사2020. 8. 17. 15:58

 

후입력우선회로-.jpg
0.02MB

'전기기능사' 카테고리의 다른 글

플로트레스 스위치  (0) 2020.11.24
전기기능사 실기 외관  (0) 2020.08.17
결선도 그리기 연습 8  (0) 2020.08.17
결선도 그리기 연습 7  (0) 2020.08.17
결선도 그리기 연습 6  (0) 2020.08.17
:
Posted by gonlab