2020. 12. 15. 11:41
3상 유도전동기 운전제어회로_2(PLC) 전기기능사2020. 12. 15. 11:41
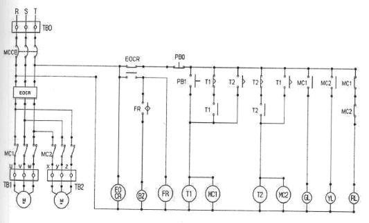
3상 유도전동기 운전제어회로-2

'전기기능사' 카테고리의 다른 글
| 공장동력배선(PLC) (0) | 2020.12.15 |
|---|---|
| 3상 유도전동기 운전제어회로_3(PLC) (0) | 2020.12.15 |
| 3상 유도전동기 운전제어회로_1(PLC) (0) | 2020.12.15 |
| 3상 유도전동기 운전제어회로_플리커1(PLC) (0) | 2020.12.15 |
| 3상 유도전동기 운전제어회로_플리커(PLC) (0) | 2020.12.15 |
