HOME
TAG
LOCATION LOG
GUESTBOOK
ADMIN
WRITE
달력
11
«
2025/11
»
1
2
3
4
5
6
7
8
9
10
11
12
13
14
15
16
17
18
19
20
21
22
23
24
25
26
27
28
29
30
2021. 5. 11. 11:44
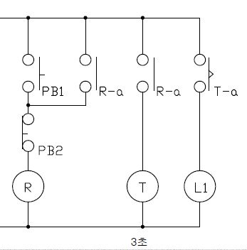
타이머 회로
PLC
2021. 5. 11. 11:44
공유하기
게시글 관리
시퀀스제어
'
PLC
' 카테고리의 다른 글
자기유지회로
(0)
2021.05.11
PLC 배선하기 학습자료
(0)
2021.05.10
릴레이
(0)
2021.04.28
SW a, b접점
(0)
2021.04.28
PB Sw 회로
(0)
2021.04.28
:
Posted by
gonlab
gonlab
시퀀스제어
카테고리
분류 전체보기
(290)
전기기능사
(52)
승강기기능사
(4)
전자기기기능사
(50)
PLC
(173)
전기기기
(9)
공지사항
최근에 올라온 글
최근에 달린 댓글
링크
YouTube 채널.
Blog 마이컴제어.
Cafe gonLab.
Blog 서머타임.
티스토리툴바