2022. 8. 9. 07:31
9. 전자접촉기(MC) 회로와 과전류계전기(EOCR) 회로 전기기능사2022. 8. 9. 07:31
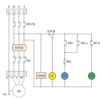
9. 전자접촉기(MC) 회로와 과전류계전기(EOCR) 회로

[동작순서]
① MCCB 배선용차단기의 전원을 투입한다.
② 전원이 투입되면 MC-b 접점이 닫혀있어 GL 램프가 점등된다.
③ 푸시버튼 스위치 PB1을 누르면 MC가 여자되고 MC가 여자되는 순간 전자접촉기 주접점과 MC-a접점이 동시에 닫히면서 MC-a 접점이 자기유지 되고 동시에 전동기(IM)가 운전이 되며 MC-b 접점이 열리면서 GL램프는 소등이 된다.
④ 전동기(IM)운전 중 전동기에 과부하가 걸리게 되면 EOCR이 동작하면 EOCR의 a접점으로 전류가 흘러 GL램플가 점등되며 전동기(IM)는 정지하게 된다.
⑤ 전동기를 과부하로부터 해제하려면 EOCR의 리셑버튼을 누르면 램프 OL을 소등이 되고 다시 푸시버튼 스위치PB1을 누르면 다시 운전이 된다.
⑥ 푸시버튼스위치 PB2를 누르면 전동기는 정지되고 램프 GL이 점등이 된다.
'전기기능사' 카테고리의 다른 글
| 릴레이의 동작 (0) | 2022.08.09 |
|---|---|
| 푸시버튼 스위치의 동작 (0) | 2022.08.09 |
| 8. 전자 접촉기 회로 (0) | 2022.08.09 |
| 7. 인터록 회로 (0) | 2022.08.09 |
| 6. 플리커 릴레이 회로 (0) | 2022.08.09 |
