2020. 12. 15. 11:38
3상 유도전동기 운전제어회로_정역회로(PLC) 전기기능사2020. 12. 15. 11:38
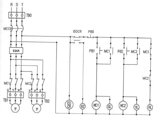
3상 유도전동기 운전제어회로-정역회로

'전기기능사' 카테고리의 다른 글
| 3상 유도전동기 운전제어회로_플리커1(PLC) (0) | 2020.12.15 |
|---|---|
| 3상 유도전동기 운전제어회로_플리커(PLC) (0) | 2020.12.15 |
| 3상 유도전동기 운전제어회로_시간제어(PLC) (0) | 2020.12.15 |
| 3상 유도전동기 운전제어 회로_자기유지(PLC) (0) | 2020.12.15 |
| 플로트레스 스위치 (0) | 2020.11.24 |
