2020. 12. 16. 10:45
공장동력배선(PLC) 1 전기기능사2020. 12. 16. 10:45
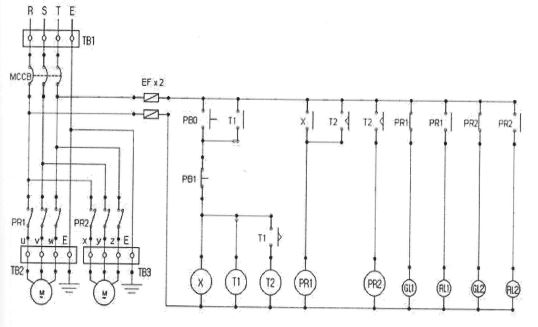
공장동력배선(PLC) 1

'전기기능사' 카테고리의 다른 글
| 2. 릴레이 기본 제어회로 (0) | 2022.08.09 |
|---|---|
| 1. 푸시버튼 스위치 회로와 램프의 시퀀스 제어회로 (0) | 2022.08.09 |
| 공장동력배선(PLC) (0) | 2020.12.15 |
| 3상 유도전동기 운전제어회로_3(PLC) (0) | 2020.12.15 |
| 3상 유도전동기 운전제어회로_2(PLC) (0) | 2020.12.15 |
