2022. 8. 9. 07:21
1. 푸시버튼 스위치 회로와 램프의 시퀀스 제어회로 전기기능사2022. 8. 9. 07:21
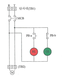
1. 푸시버튼 스위치 회로와 램프의 시퀀스 제어회로

[동작순서]
① R상과 T상에 전원투입하면 전류가 흘러 GL(녹색)램프가 점등된다.
② 푸시버튼 스위치 PB-a 접점을 누르면 RL(적색)램프가 점등되고 GL(녹색)램프는 소등된다.
③ PB-a 접점에서 손을 떼면 GL(녹색)램프가 점등, GL(적색)램프가 소등된다.
'전기기능사' 카테고리의 다른 글
| 3. 자기유지 회로 (0) | 2022.08.09 |
|---|---|
| 2. 릴레이 기본 제어회로 (0) | 2022.08.09 |
| 공장동력배선(PLC) 1 (0) | 2020.12.16 |
| 공장동력배선(PLC) (0) | 2020.12.15 |
| 3상 유도전동기 운전제어회로_3(PLC) (0) | 2020.12.15 |
