2022. 8. 9. 07:28
6. 플리커 릴레이 회로 전기기능사2022. 8. 9. 07:28
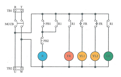
6. 플리커 릴레이 회로

[동작순서]
① R상과 T상에 전원 투입하면 전류가 흘러 GL(녹색)램프가 점등된다.
② 푸시버튼 스위치 PB1을 누르면 릴레이 R 여자되어 릴레이 R1의 접점을 페로되며 버튼 스위치에 손을 떼도 R1접점으로 계속 전류가 흘러 자기유지 하고
③ 자기유지 되는 순간 R1의 접점이 페로되면 플리커 FR이 여자된다.
④ 프리커 타이머의 설정시간을 1초로 설정해 놓으면 FR이 여지되는 순간 플리커 FR의 a접점이 바로 닫히면서 YL2가 1초동안 램프가 점등되었다가 다시 1초 후에 플리커 a접점이 떨어지면서 플리커 FR의 b접점디 닫혀 YL1가 1초 동안 램프가 점등되며 계속해서 1초 간격으로 교대점멸을 반복한다.
⑤ 푸시버튼 스위치 PB2를 누르면 모든 동작이 멈추게 된다.
'전기기능사' 카테고리의 다른 글
| 8. 전자 접촉기 회로 (0) | 2022.08.09 |
|---|---|
| 7. 인터록 회로 (0) | 2022.08.09 |
| 5. 순시동작 한시복귀(순한시) 타이머를 이용한 자기유지회로 (0) | 2022.08.09 |
| 4. 한시동작 순시복귀(한순시) 타이머를 이용한 자기유지회로 (0) | 2022.08.09 |
| 3. 자기유지 회로 (0) | 2022.08.09 |
