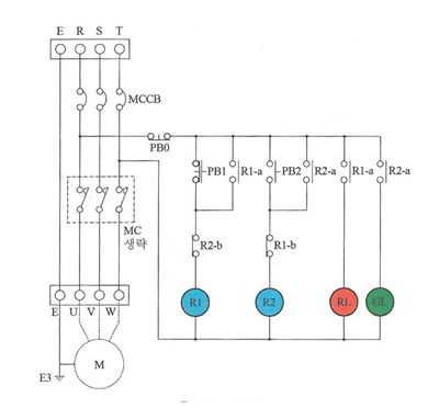
7. 인터록 회로

[동작순서]
① MCCB 배선용차단기 전원을 투입한다.
② 푸시버튼 스위치 PB1을 누르면 릴레이 R1 여자되고 R1이 여자된 순간 릴레이 R1-a의 접점은 페로되어 자기유지하고 릴레이 R1-a 접점이 페로되어 RL(적색)램프가 점등되며 R1-b접점을 개로되어 푸시버튼 스위치 PB2를 눌러도 R1-b접점이 열려있어 동작이 안된다.
③ 푸시버튼 스위치 PB0-b 접점을 누르면 모든 동작이 멈추게 된다.
④ 푸시버튼 스위치 PB2을 누르면 릴레이 R2 여자되고 R2가 여자된 순간 릴레이 R2-a의 접점은 페로되어 자기유지하고 릴레이 R2-a 접점이 페로되어 GL(녹색)램프가 점등되며 R2-b접점을 개로되어 푸시버튼 스위치 PB1를 눌러도 R2-b접점이 열려있어 동작이 안된다.
⑤ 이렇게 푸시버튼 스위치를 눌러도 푸시버튼 회로에 상대방 릴레이 b접점을 사용하여 푸시버튼 스위치를 눌러도 동작이 되지 않게 만든 회로를 인터록 회로라고 한다.
'전기기능사' 카테고리의 다른 글
| 9. 전자접촉기(MC) 회로와 과전류계전기(EOCR) 회로 (0) | 2022.08.09 |
|---|---|
| 8. 전자 접촉기 회로 (0) | 2022.08.09 |
| 6. 플리커 릴레이 회로 (0) | 2022.08.09 |
| 5. 순시동작 한시복귀(순한시) 타이머를 이용한 자기유지회로 (0) | 2022.08.09 |
| 4. 한시동작 순시복귀(한순시) 타이머를 이용한 자기유지회로 (0) | 2022.08.09 |
