2022. 8. 9. 07:30
8. 전자 접촉기 회로 전기기능사2022. 8. 9. 07:30
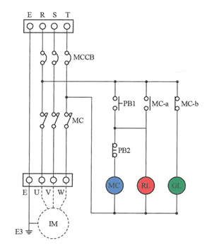
8. 전자 접촉기 회로

[동작순서]
① MCCB 배선용차단기의 전원 투입한다.
② 전원이 투입되면 MC-b 접점이 닫혀있어 GL(녹색)램프가 점등된다.
③ 푸시버튼 스위치 PB1을 누르면 MC가 여자되고 MC가 여자된 순간 전자접촉기 주접점과 MC-a 접점이 동시에 닫히면서 MC-a 접점이 자기유지되고 RL(적색)램프가 점등되면서 동시에 전동기(IM)가 운전되며 MC-b 접점이 열리면서 GL램프는 소등된다.
④ 푸시버튼 스위치 PB2를 누르면 전동기(IM)는 정지되고 RL(적색)이 소등되며 GL(녹색)램프가 점등된다.
'전기기능사' 카테고리의 다른 글
| 푸시버튼 스위치의 동작 (0) | 2022.08.09 |
|---|---|
| 9. 전자접촉기(MC) 회로와 과전류계전기(EOCR) 회로 (0) | 2022.08.09 |
| 7. 인터록 회로 (0) | 2022.08.09 |
| 6. 플리커 릴레이 회로 (0) | 2022.08.09 |
| 5. 순시동작 한시복귀(순한시) 타이머를 이용한 자기유지회로 (0) | 2022.08.09 |
